Contoh Gambar Penulangan Anak Tangga Tangga dimensi rumah standart potongan lahan terbatas bordes pagar struktur perbesaran lipat lantai

If you are searching about Home Design and Ideas Arsitektur Sipil Konstruksi Interior Rumah Adat you've came to the right place. We have 35 Pictures about Home Design and Ideas Arsitektur Sipil Konstruksi Interior Rumah Adat like Home Design and Ideas Arsitektur Sipil Konstruksi Interior Rumah Adat, Home Design and Ideas Arsitektur Sipil Konstruksi Interior Rumah Adat and also Belajar SerbAneka: Menggambar Konstruksi Tangga. Here you go:

Home Design And Ideas Arsitektur Sipil Konstruksi Interior Rumah Adat

Home Design and Ideas Arsitektur Sipil Konstruksi Interior Rumah Adat www.pinterest.com

denah penulangan cad sederhana besi pintu menghitung kebutuhan hdesignideas arsitektur sipil pembesian konstruksi pekerjaan

Sang Pujangga Langit(Penawar Rindu): Anak-anak Tangga.

Sang Pujangga Langit(Penawar Rindu): Anak-anak tangga. sangpujanggalangit.blogspot.com

tangga pujangga langit sulaiman

Ingin Membuat Tangga? Segini Tinggi Anak Tangga Yang Ideal

Ingin Membuat Tangga? Segini Tinggi Anak Tangga yang Ideal www.99.co

tangga segini ingin

Cara Menghitung Volume Cor Beton Tangga Putar Pada Rumah | Proyek Sipil

Cara Menghitung Volume Cor Beton Tangga Putar pada Rumah | Proyek Sipil proyeksipil.blogspot.com

menghitung cor putar kemiringan potongan proyeksipil memanjang

14+ Gambar 2 Dimensi Tangga, Info Top!

14+ Gambar 2 Dimensi Tangga, Info Top! gambartercantik.blogspot.com

perhitungan dimensi menghitung besi pondasi konstruksi bangunan inilah populer

Cara Menghitung Dan Menentukan Jumlah Anak Tangga | Gudang Art Design

Cara Menghitung dan Menentukan Jumlah Anak Tangga | Gudang Art Design www.gudangart.com

tangga anak menghitung jumlah menentukan

41+ Gambar Kartun Orang Naik Tangga, Yang Istimewa!

41+ Gambar Kartun Orang Naik Tangga, Yang Istimewa! gambarkuviral.blogspot.com

naik sakit anemia kartun istimewa sumber

Inspirasi 25+ Detail Pembesian Tangga

Inspirasi 25+ Detail Pembesian Tangga bentuk.kanopitop.com

denah penulangan bangunan sederhana pembesian konstruksi lantai sipil potongan arsitektur balok menghitung skala hdesignideas trik adat purevolume bentang lebar kuat

√ 10 Hak Anak Di Rumah Yang Wajib Dipenuhi Orang Tua

√ 10 Hak Anak di Rumah yang Wajib Dipenuhi Orang Tua www.wajibbaca.com

hak anak kewajiban contoh keluarga animasi sedang dipenuhi tentang wajibbaca sebutkan namanya populer paling

Belajar SerbAneka: Menggambar Konstruksi Tangga

Belajar SerbAneka: Menggambar Konstruksi Tangga belajarserbaneka.blogspot.com

konstruksi penulangan menggambar beton rencana dimensi serbaneka

Menentukan Ukuran Tangga Dan Anak Tangga Untuk Bangunan Bertingkat

Menentukan ukuran Tangga dan Anak Tangga untuk bangunan bertingkat www.hdesignideas.com

tangga rumah menentukan variasi sketsa bertingkat arsitektur struktur perhitungan konstruksi maka penghuni berbagai kedudukan membawa prestise saat dipasang hdesignideas sipil

Cara Membuat Tangga - Buatan Aku

Cara Membuat Tangga - Buatan Aku cara-membuat-kreatif.blogspot.com

membuat penulangan pembesian denah konstruksi potongan perhitungan buatan

CONTOH PERHITUNGAN PENULANGAN TANGGA | TEKNIK SIPIL

CONTOH PERHITUNGAN PENULANGAN TANGGA | TEKNIK SIPIL sipilworld.blogspot.com

tangga penulangan perhitungan pembesian sipil menghitung pelat etabs didapat analisa

Baru Cara Mengukur Kemiringan Tangga Besi, Ilmu Bangunan

Baru Cara Mengukur Kemiringan Tangga Besi, Ilmu Bangunan toppintuminimalis.blogspot.com

konstruksi besi kemiringan mengukur rumahmembangun penulangan intrik bangunan standar

Maygunrifanto: Merencanakan Tangga Yang Nyaman

maygunrifanto: Merencanakan Tangga Yang Nyaman maygunrifanto.blogspot.com

tangga merencanakan maygunrifanto

Newest 12+ Tangga Stage 2 Anak Tangga, Viral!

Newest 12+ Tangga Stage 2 Anak Tangga, Viral! interiorrumahbambuterminimalis.blogspot.com

connecting kapan mulai diberi tugas kiprah verbinden raadselstukken sekolahdasar conectando bessert bunten diberikan jawab bertanggung melatih

Perencanaan Bangunan | Djava Renovasi

Perencanaan bangunan | Djava Renovasi djavarenovasi.com

perencanaan

PENULANGAN SATU ANAK TANGGA TIDAK SAMPAI 5 MENIT - YouTube

PENULANGAN SATU ANAK TANGGA TIDAK SAMPAI 5 MENIT - YouTube www.youtube.com

tangga penulangan

Contoh Gambar Potongan Melewati Tangga | Gambar Arsitektur, Arsitektur

Contoh gambar potongan melewati tangga | Gambar arsitektur, Arsitektur www.pinterest.com

tangga potongan gambar contoh autocad di railing melewati disimpan oleh arsitektur construction drawing

Ini Pentingnya Kenalkan Pekerjaan Rumah Tangga Pada Anak Sejak Dini

Ini Pentingnya Kenalkan Pekerjaan Rumah Tangga pada Anak Sejak Dini liputanislam.com

dini sejak liputanislam pentingnya kenalkan

7 Cara Menghitung Jumlah Anak Tangga Yang Ideal Digunakan

7 Cara Menghitung Jumlah Anak Tangga yang Ideal Digunakan www.indosteger.co.id

tangga menghitung trap traprenovatie manfaatkan sisa stairs dienstleistungen treppensanierung vennep ruang wangen materialen verschillende soorten sholat gaya benar bagian referenzen

Home Design And Ideas Arsitektur Sipil Konstruksi Interior Rumah Adat

Home Design and Ideas Arsitektur Sipil Konstruksi Interior Rumah Adat www.pinterest.cl

Inilah Beberapa Contoh Dekorasi Hiasan Dinding Kelas Yang Kreatif, Bisa

Inilah Beberapa Contoh Dekorasi Hiasan Dinding Kelas Yang Kreatif, Bisa diki999.blogspot.com

metrico decimal unterrichtsmethoden decimale dekorasi meten rekenen istruzione matematica geometrie wiskunde elementare metrieke stelsel turkrazzi

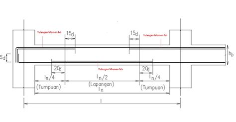
Struktur Beton 1: Contoh Gambar Penampang Penulangan Balok

struktur beton 1: Contoh Gambar Penampang Penulangan Balok strukturbeton1.blogspot.com

balok penulangan memanjang struktur beton lentur

Perhitungan Tangga Lengkap - SEPUTAR TEKNIK SIPIL

Perhitungan Tangga Lengkap - SEPUTAR TEKNIK SIPIL seputarulasantekniksipil.blogspot.com

tangga perhitungan cara menghitung teknik kemiringan lengkap sipil denah anak jumlah

Gambar Kerja Penulangan Balok Induk File Dwg - Kaula Ngora - Kumpulan

Gambar Kerja Penulangan Balok Induk File Dwg - Kaula Ngora - Kumpulan www.kaulangora.com

penulangan balok dwg induk kerja

Cara Menghitung Dan Menentukan Jumlah Anak Tangga | Konstruksi Bangunan

Cara Menghitung dan Menentukan Jumlah Anak Tangga | Konstruksi Bangunan kontruksibangunan-kb1.blogspot.com

tangga menghitung ukuran rumus perhitungan menentukan furniturumah kemiringan minimalis lantai

Denah Tangga Dan Detail Penulangan Tangga Sederhana | Home Design And Ideas

Denah Tangga dan Detail Penulangan Tangga Sederhana | Home Design and Ideas www.hdesignideas.com

tangga penulangan sederhana denah konstruksi pembesian lantai arsitektur sambungan pondasi potongan menghitung sipil hdesignideas rebar constructivos stairs arsitek inspirasi populer

Gambar Tampak Atas Dan Samping Tangga | Orthographic Drawing | Pinterest

gambar tampak atas dan samping tangga | orthographic drawing | Pinterest www.pinterest.com

tangga gambar tampak atas dan samping autocad drawing railing orthographic darurat architecture di mechanical revit

Kumpulan Gambar Untuk Belajar Mewarnai: Mewarnai Gambar Seluncuran Dan

Kumpulan gambar untuk Belajar mewarnai: Mewarnai Gambar Seluncuran Dan kumpulan-gambarmewarnai.blogspot.com

ayunan mewarnai kumpulan besi mainan

Inspirasi 25+ Detail Pembesian Tangga

Inspirasi 25+ Detail Pembesian Tangga bentuk.kanopitop.com

pembesian maygunrifanto nyaman merencanakan sumber

Gambar Anak Tangga | MateriKimia

Gambar Anak Tangga | MateriKimia materikimia.com

tangga sederhana pesawat pembahasannya elektron materikimia kurikulum keuntungan mekanis neutron menentukan konfigurasi

Cara Membuat Tangga Di Lahan Terbatas ~ RumahDanGriya

Cara Membuat Tangga Di lahan Terbatas ~ RumahDanGriya rumahdangriya.blogspot.com

tangga dimensi rumah standart potongan lahan terbatas bordes pagar struktur perbesaran lipat lantai

Anak-anak Belajar Bermain Menemukan Nama-nama Peralatan Rumah Tangga

Anak-anak belajar bermain menemukan nama-nama peralatan rumah tangga www.youtube.com

peralatan

MERENCANAKAN KONSTRUKSI TANGGA BETON | Kumpulan Bahan Ajar Guru Dan

MERENCANAKAN KONSTRUKSI TANGGA BETON | Kumpulan Bahan Ajar Guru dan bahanajargurudansiswa.blogspot.com

konstruksi bangunan elemen perhitungan sipil fungsinya pada lantai komponen fungsi definisi merencanakan bertingkat ketinggian perencanaan archicad

Cara menghitung dan menentukan jumlah anak tangga. Balok penulangan memanjang struktur beton lentur. Cara menghitung volume cor beton tangga putar pada rumah

close